Relay là gì? Cấu tạo, nguyên lý hoạt động và cách sử dụng
Relay là gì? Cấu tạo và nguyên lý hoạt động như thế nào? Cùng Điện City khám phá từ A - Z về relay và những loại relay tốt nhất ngay!
Tại thị trường Việt Nam, relay kiếng hay relay trung gian được thiết kế đa dạng về chủng loại vì được ứng dụng rất nhiều trong các mạch điện tử cho đến các ngành công nghiệp nặng. Vậy, relay là gì? Cấu tạo, nguyên lý hoạt động và cách sử dụng ra sao? Cùng tìm hiểu cụ thể trong bài viết sau!
1. Relay là gì? Cấu tạo relay như thế nào?
Relay là gì, cấu tạo ra sao mà được ứng dụng vô cùng phổ biến trong các hệ thống tủ điện công nghiệp hay thiết bị sử dụng điện?
1.1 Relay là gì?
Relay trung gian hay còn gọi là relay kiếng được thiết kế với khả năng hoạt động dựa trên cơ chế chuyển đổi trạng thái hoạt động bằng điện trong hệ thống tủ bảng điện dùng trong công nghiệp hoặc dân dụng. Đây chính là câu trả lời khá đơn giản cho câu hỏi “Rơ le là gì?”.
1.2 Cấu tạo của relay là gì?
Cấu tạo relay kiếng gồm: cuộn dây, tiếp điểm thường mở (NO), tiếp điểm thường đóng (NC), lõi thép động, lõi thép tĩnh, lò xo, giá cách điện, vít và ốc điều chỉnh.
Cuộn dây được cấu tạo bằng kim loại đồng hoặc nhôm được quấn quanh lõi sắt từ. Bộ phận này bao gồm 2 bộ phận khác đó là phần tĩnh, hay còn gọi là ách từ (Yoke) và phần động, hay còn gọi là phần cứng (Armature).
Phần cứng của bộ phận này được kết nối với một tiếp điểm động, cho phép cuộn dây hút thanh tiếp điểm để tạo thành trạng thái NO và NC.
Mạch tiếp điểm đóng vai trò chính trong việc đóng/ngắt các thiết bị tải với dòng điện nhỏ, đồng thời được cách ly bởi cuộn hút.
Relay kiếng Idec loại nhỏ
2. Nguyên lý hoạt động của relay là gì?
Dòng điện chạy qua relay kiếng sẽ chạy qua cuộn dây bên trong, tạo ra một từ trường hút. Từ trường hút này tác động lên một đòn bẩy bên trong làm các tiếp điểm đóng hoặc mở và làm thay đổi trạng thái của relay. Tùy vào thiết kế mà số tiếp điểm bị thay đổi có thể là 1 hoặc nhiều.
Relay bao gồm 2 mạch hoạt động độc lập với nhau. Mạch thứ nhất có nhiệm vụ điều khiển cuộn dây của relay, cho phép dòng chạy qua cuộn dây hoặc không (điều khiển relay ở trạng thái bật (ON) hoặc tắt (OFF).
Mạch còn lại đóng vai trò điều khiển dòng điện ta cần kiểm soát có qua được relay hay không (dựa vào trạng thái tắt hay bật của relay để xác định).
Relay kiếng Idec loại tiêu chuẩn
3. Tác dụng của relay là gì?
Như đã đề cập, relay kiếng hay relay trung gian đóng vai trò “trung gian” để chuyển tiếp mạch điện cho một thiết bị khác.
Relay trung gian được thiết kế từ 4 đến 6 tiếp điểm và chúng đều có thể làm nhiệm vụ đóng/mở. Chính vì vậy mà relay trung gian được ứng dụng nhiều trong việc truyền tín hiệu trong trường hợp relay chính không thể đóng/ngắt như bình thường.
Relay kiếng được dùng để chia tín hiệu đến các bộ phận khác từ một relay chính trong hệ thống sơ đồ mạch điện điều khiển.
Ngoài ra, relay kiếng cũng làm nhiệm vụ truyền tín hiệu cho bộ phận mạch phía sau bằng cách đóng vai trò như một phần tử đầu ra.
Mặt khác, relay trung gian cũng có tác dụng trong việc cách ly điện áp khác nhau giữa phần chấp hành và phần điều khiển.
Tuy nhiên, relay trung gian chỉ được sử dụng phổ biến cho hệ thống điện có dòng điện mang giá trị từ vài Ampe trở xuống. Trong trường hợp dòng điện lớn hơn đến vài chục Ampe trở lên và có tích hợp buồng dập hồ quang thì sử dụng contactor là tối ưu nhất.
Relay kiếng Idec loại lớn
4. Cách xác định trạng thái của rơ le
Việc kiểm tra trạng thái của rơ le là vô cùng quan trọng, bởi việc hư hỏng, phát sinh sự cố của các thiết bị điện là không thể tránh khỏi sau một thời gian dài sử dụng.
Để kiểm tra trạng thái của relay, quý khách sẽ cần sự hỗ trợ của một người khác trong việc bật công tác đến vị trí “ON”. Lúc này, quý khách sẽ nghe thấy tiếng lạch cạch khi đặt tay lên relay.
Khi chìa khóa chuyển sang vị trí “START”, quý khách cũng sẽ dễ dàng cảm thấy có tiếng lạch cạch khi đặt tay lên relay. Đó là dấu hiệu cho thấy relay đang khởi động.
Mặt khác, nếu không cảm nhận thấy điều này thì quý khách hãy gỡ rơ le ra, đồng thời kiểm tra các kết nối. Trường hợp nhận thấy rơ le đã bị ăn mòn hoặc quá nóng thì nên thay relay mới cho hệ thống.
5. Cách đấu rơ le như thợ cực kỳ đơn giản
Người ta thường phân loại rơ le trung gian hay rơ le kiếng dựa trên số chân tiếp điểm của nó và mức điện áp hoạt động. Điện áp thường dùng cho relay là 5VDC, 12VDC, 24VDC hoặc 220VAC. Số cặp tiếp điểm thường là 1, 2, 4 hoặc nhiều hơn. Tùy vào loại relay sẽ có cách đấu dây khác nhau, giúp quý khách có thể trả lời cho câu hỏi “Cách đấu dây của relay là gì?”, cụ thể như sau:
5.1 Cách đấu rơ le trung gian 5 chân
Sơ đồ cách đấu rơ le trung gian 5 chân
Đây được xem là loại relay phổ biến nhất với 2 chân tiếp điểm được cấp nguồn, 3 chân còn lại sẽ có 1 chân chung, 2 chân là tiếp điểm NO và NC. Quý khách có thể phân biệt được chúng nhờ ký hiệu trên thiết bị hoặc dùng VOM để đo và xác định.
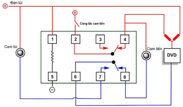
5.2 Cách đấu rơ le trung gian 8 chân
Dựa vào sơ đồ, quý khách có thể dễ dàng thấy được 2 cặp tiếp điểm thường đóng và thường mở. Quý khách sẽ tiến hành đấu nối cấp nguồn 12, 24, 220V tùy vào loại chân 1 và chân 5 của cuộn dây. Hai cặp tiếp điểm thường mở là 2 - 4 và 6 - 8, hai cặp tiếp điểm thường đóng là 2 - 3 và 6 - 7.
Sơ đồ cách đấu rơ le trung gian 8 chân
5.3 Cách đấu rơ le trung gian 14 chân
Rơ le trung gian 14 chân là một trong những loại được sử dụng nhiều nhất hiện nay. Cách đấu rơ le trung gian 14 chân cũng tương tự như các loại loại rơ le trung gian khác được kể trên. Tuy nhiên, việc đấu rơ le kiếng 14 chân sẽ gặp đôi chút khó khăn nếu quý khách không quá am hiểu hay có nhiều kinh nghiệm về điện.
Cách tốt nhất để đấu thành công rơ le trung gian 14 chân cho hệ thống đó là liên hệ đơn vị chuyên lắp đặt uy tín để hạn chế tối đa những nguy hiểm có thể xảy ra.
6. Các loại rơ le trên thị trường hiện nay
Hiện nay trên thị trường, quý khách có thể dễ dàng tìm thấy các loại relay kiếng sau:
- Relay kiếng loại nhỏ: Được sử dụng trong các hệ thống tủ điện, các loại máy công cụ có không gian đấu nối giới hạn. Relay kiếng loại nhỏ thường có 2 loại: 5 chân (1 cặp cực) và 8 chân (2 cặp cực).
- Relay kiếng loại tiêu chuẩn: Là loại relay thông dụng và được sử dụng nhiều nhất trong công nghiệp hiện nay. Relay kiếng có hai loại: 8 chân (2 cặp cực) và 14 chân (4 cặp cực).
- Relay kiếng loại lớn: Sử dụng trong những ngành công nghiệp có môi trường khắc nghiệt. Thường có hai loại 8 chân tròn (2 cặp cực) và 14 chân (4 cặp cực).
- Relay công suất: Sử dụng trong những ngành công nghiệp nặng, đòi hỏi dòng điện đi qua tiếp điểm lớn và nhiều tiêu chuẩn bảo vệ nghiêm ngặt.
7. Địa chỉ mua relay là gì?
Tại Việt Nam có rất nhiều thương hiệu relay nổi tiếng như: Idec, Hanyoung, Schneider, Omron,... Trong đó, phổ biến và thông dụng nhất phải kể đến là Idec: thương hiệu đến từ Nhật Bản nhưng giá thành lại vô cùng cạnh tranh.
Điện City đang là nhà nhập khẩu và phân phối các sản phẩm của thương hiệu Idec tại thị trường Việt Nam với các chính sách hấp dẫn dành cho khách hàng:
Vậy, với những thông tin được đề cập trong bài viết, chắc hẳn quý khách cũng đã hiểu rõ hơn về relay là gì cũng như công dụng, nguyên lý hoạt động và cách đấu nối chúng rồi đúng không? Dù là relay kiếng hay relay là gì đi nữa thì thiết bị này cũng đóng vai trò vô cùng quan trọng trong hệ thống điện công nghiệp và dân dụng. Nếu quý khách có thắc mắc về relay là gì hay những thông tin xoay quanh thiết bị này, hãy liên hệ ngay cho Điện City để được tư vấn chi tiết nhất!
Khám phá dòng sản phẩm vượt trội Relay Idec tại đây!




