Tình trạng:
Mới 100%, chính hãng Fuji Electric, chưa bao gồm bàn phím
Bảo hành:
Thời gian bảo hành 12 tháng.
1 ĐỔI 1 trong vòng 7 ngày nếu có lỗi nhà sản xuất
Giá đã bao gồm VAT 10%
Biến tần FRENIC-MEGA-G2 thế hệ 2022 đã đạt được những tiến bộ mới đáng kể. Với những cải tiến vượt bậc về tính năng và khả năng ứng dụng rộng rãi trên nhiều lĩnh vực, FRENIC-MEGA-G2 đang mang lại những thay đổi quan trọng không chỉ so với phiên bản Frenic-Mega-G1 mà còn là bước đột phá trong công nghệ biến tần nói chung. Hãy cùng Điện City tìm hiểu về các tính năng mới mà MEGA-G2 mang lại nhé!

Chức năng PID – Rút ngắn thời gian cài đặt hệ thống
Chức năng giới hạn mô-men xoắn – Đảm bảo độ tin cậy
Bàn phím đa chức năng hoạt động mới – Tối ưu hóa chức năng chống đoán và cài đặt
Lịch sử theo dõi và cảnh báo lỗi
Tần số ngõ ra được mở rộng
| MEGA(G1) | MEGA(G2) | |
| Điều khiển V/f | 500Hz | 599Hz |
| Điều khiển vector với cảm biến tốc độ | 200Hz | 599Hz |
| Điều khiển vector không cảm biến tốc độ | 120Hz | 599Hz |
Cải thiện phản ứng của biến tần với sự biến động của tải
| MEGA(G1) | MEGA(G2) | |
| Khả năng đáp ứng moment | 150ms | 90ms |

Nâng cấp 2 lần tốc độ đáp ứng hiện tại:
| Cảm biến tốc độ | MEGA(G1) | MEGA(G2) | |
| Tốc độ đáp ứng | Có | 100Hz | 200Hz |
| Không | 20Hz | 120Hz | |
| Tốc độ đáp ứng hiện tại | 500Hz | 1000Hz | |
Cải tiến khả năng điều khiển Vector moment động:
| Cảm biến tốc độ | MEGA (G1) | MEGA (G2) | |
| Điều khiển V/f | Có | 1:100 (DTV) 1:20 (V/f) |
1:200 (DTV) 1:20 (V/f) |
| Không | 1:100 (DTV) 1:20 (V/f) |
1:200 (DTV) 1:20 (V/f) |
|
| Điều khiển vector | Có | 1:1500 | 1:1500 |
| Không | 1:200 | 1:200 | |
| Tỷ lệ mô-men động | Có | 1:8 | 1:16 |
| Không | 1:4 | 1:4 |
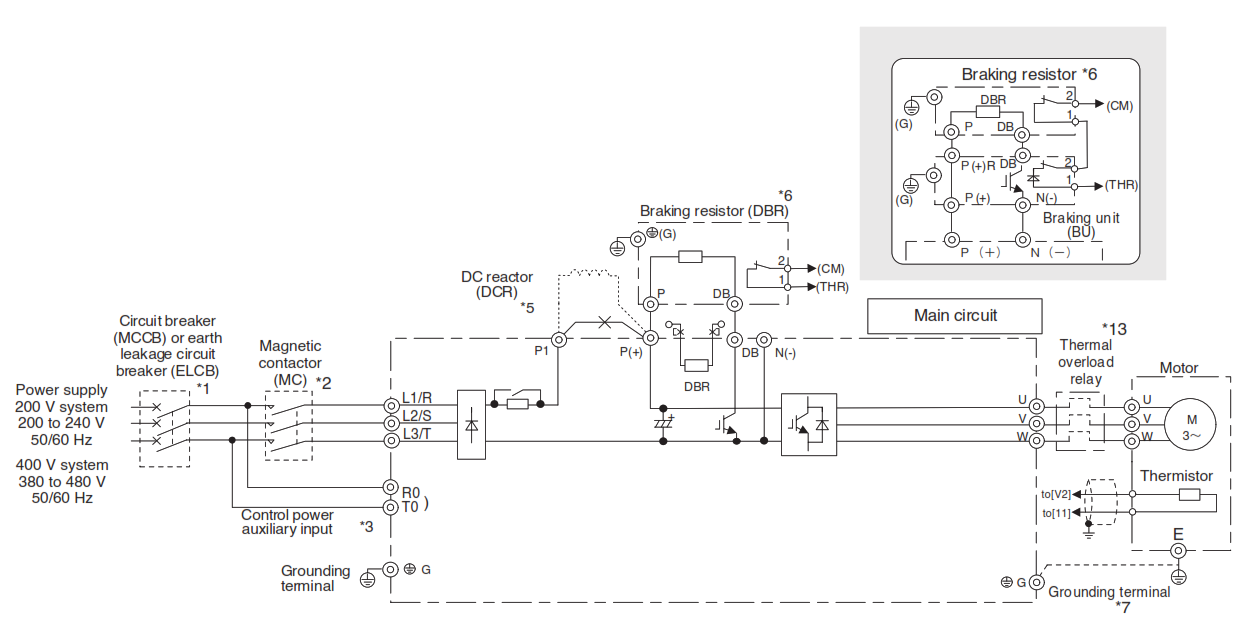
Mở rộng dải công suất có tích hợp Braking Unit:
| MEGA(G1) | MEGA(G2) | |
| Công suất tích hợp BU | 22kW | 75kW |
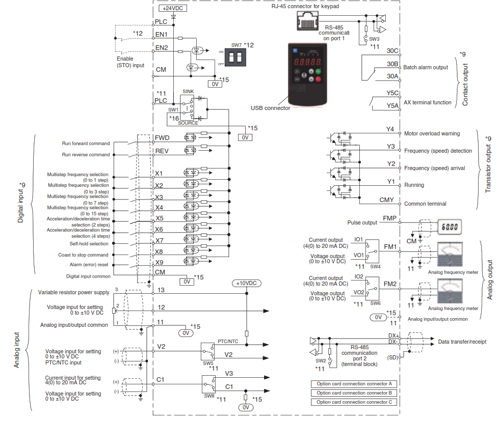
Khả năng lập trình được cải thiện đáng kể (26 lần)
| MEGA(G1) | MEGA(G2) | |
| Số bước (step) lập trình | 10 | 260 |
Cải thiện teminal điều khiển chuẩn công nghiệp hơn

Cải thiện khả năng thích ứng, chống chịu với môi trường
| MEGA(G1) | MEGA(G2) | |
| Nhiệt độ hoạt động | -10℃~50℃ | -10℃~55℃ |

Mặc dù có rất nhiều sự cải tiến vượt bậc nhưng biến tần Frenic-Mega-G2 lại không thay đổi về kích thước so với biến tần Frenic-Mega-G1. Biến tần Frenic-Mega-G2 trở thành phiên bản nâng cấp gần như hoàn hảo so với Frenic-Mega-G1.




| Thương hiệu | Fuji Electric |
| Model | Frenic Mega G2 |
| Số pha | 3P |
| Điện áp | 380V |
| Công suất | 1.5kW |
| Khả năng chịu quá tải |
150% trong 60 giây 200% cho trong 3 giây |
| Tiêu chuẩn bảo vệ | IP20 |
| MUA NHIỀU GIẢM CÀNG NHIỀU! | |||
| Cảm ơn quý khách hàng đã quan tâm và mua sắm tại Điện City. Nhằm mang lại lợi ích cao nhất đến quý khách hàng, Điện City xin gửi thông tin hệ số chiết khấu theo bảng dưới đây nhé! | |||
| Brand | Loại sản phẩm | Hệ số chiết khấu | Giá mua tối thiểu (VND) |
| Idec, Togi, Taiwan Meter, Kaku | Tất cả sản phẩm theo thương hiệu | Giảm 2% | 500,000 ₫ |
| Giảm 4% | 5,000,000 ₫ | ||
| LS | Tất cả sản phẩm theo thương hiệu | Giảm 2% | 2,000,000 ₫ |
| Giảm 3% | 10,000,000 ₫ | ||
| Mitsubishi | MCB, RCBO, MCCB, ELCB, Contactor, Role nhiệt | Giảm 2% | 2,000,000 ₫ |
| Giảm 3% | 10,000,000 ₫ | ||
| Fuji Electric | Thiết bị đóng ngắt | Giảm 2% | 2,000,000 ₫ |
| Giảm 3% | 10,000,000 ₫ | ||
| Biến tần | Giảm 3% | 10,000,000 ₫ | |
| Inovance | Biến tần | Giảm 3% | 10,000,000 ₫ |
| Hệ số chiết khấu sẽ tự động áp dụng khi quý khách hàng tiến hành thanh toán | |||