Tình trạng:
Mới 100%, chính hãng Fuji Electric
Bảo hành:
Thời gian bảo hành 12 tháng.
1 ĐỔI 1 trong vòng 7 ngày nếu có lỗi nhà sản xuất
Giá đã bao gồm VAT 10%
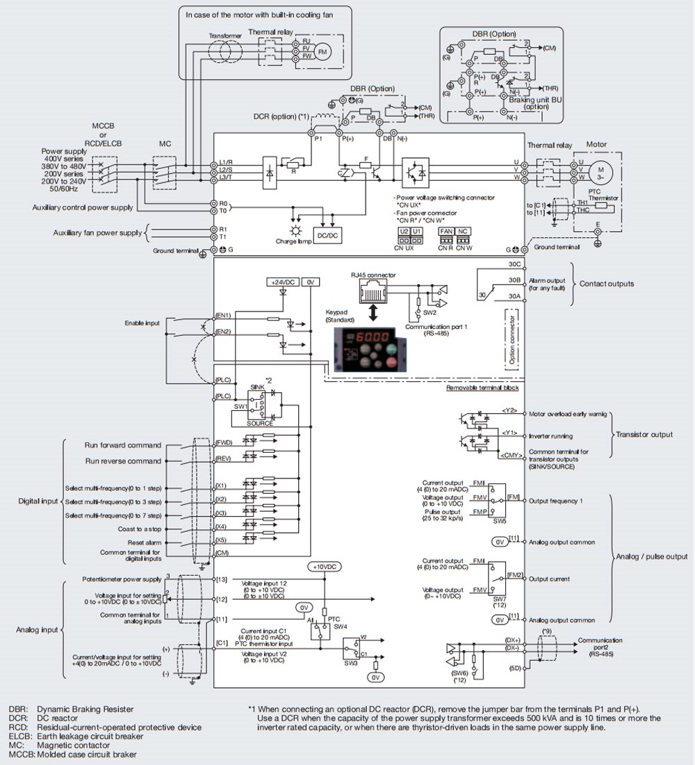
Dòng biến tần Frenic-ACE là dòng biến tần đa chức năng, có thể ứng dụng cho hầu hết các loại máy công nghiệp từ tải nhẹ như bơm quạt cho đến các loại tải nặng như các loại máy công cụ. Đây là được xem như dòng biến tần linh hoạt hàng đầu thị trường hiện nay khi bạn có thể lựa chọn 4 loại tải trong cùng 1 biến tần (ND - HD - HND - HHD).Giúp tiết kiệm chi phí tối đa nhưng vẫn đảm bảo được chất lượng vượt trội.
+ND (Normal duty): tải nhẹ (bơm, quạt), khả năng chịu quá tải 120%/1 phút, nhiệt độ môi trường max 40°C.
+HD (Heavy duty): Tải nặng, khả năng quá tải 150%/1 phút,nhiệt độ môi trường max 40°C.
+HND (High carrier frequency normal duty): Tải nhẹ (bơm, quạt), khả năng chịu quá tải 120%/1 phút, nhiệt độ môi trường max 50°C.
+HHD (High carrier frequency heavy duty): Tải nặng, khả năng quá tải 150%/1 phút-200%/0.5 giây, nhiệt độ môi trường max 50°C.




5. Tài liệu tham khảo:
| Thương hiệu | Fuji Electric |
| Model | Frenic-Ace |
| Số pha | 3P |
| Điện áp | 380V - 480V/50Hz |
| Tần số ngõ ra | 0.1-120/500Hz |
| Công suất |
ND: 11kW HD: 7.5kW HND: 7.5kW HHD: 5.5kW |
| Khả năng chịu quá tải |
150% trong 60 giây 200% trong 0.5 giây (HHD) |
| Customizable Logic | 200 bước |
| Bàn phím (keypad) | Có thể tháo rời |
| Tiêu chuẩn bảo vệ | IP20 |
| MUA NHIỀU GIẢM CÀNG NHIỀU! | |||
| Cảm ơn quý khách hàng đã quan tâm và mua sắm tại Điện City. Nhằm mang lại lợi ích cao nhất đến quý khách hàng, Điện City xin gửi thông tin hệ số chiết khấu theo bảng dưới đây nhé! | |||
| Brand | Loại sản phẩm | Hệ số chiết khấu | Giá mua tối thiểu (VND) |
| Idec, Togi, Taiwan Meter, Kaku | Tất cả sản phẩm theo thương hiệu | Giảm 2% | 500,000 ₫ |
| Giảm 4% | 5,000,000 ₫ | ||
| LS | Tất cả sản phẩm theo thương hiệu | Giảm 2% | 2,000,000 ₫ |
| Giảm 3% | 10,000,000 ₫ | ||
| Mitsubishi | MCB, RCBO, MCCB, ELCB, Contactor, Role nhiệt | Giảm 2% | 2,000,000 ₫ |
| Giảm 3% | 10,000,000 ₫ | ||
| Fuji Electric | Thiết bị đóng ngắt | Giảm 2% | 2,000,000 ₫ |
| Giảm 3% | 10,000,000 ₫ | ||
| Biến tần | Giảm 3% | 10,000,000 ₫ | |
| Inovance | Biến tần | Giảm 3% | 10,000,000 ₫ |
| Hệ số chiết khấu sẽ tự động áp dụng khi quý khách hàng tiến hành thanh toán | |||